Производитель: ОВЕН (Россия)
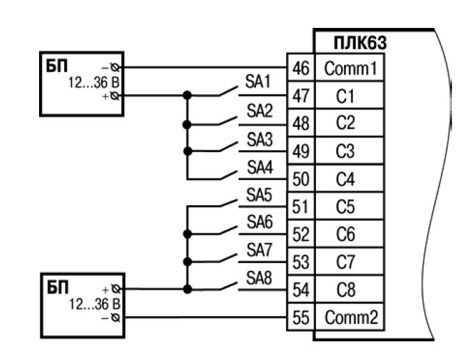
Модель: ПЛК63-РРРРИИ-L
Краткое описание
ОВЕН ПЛК63 – контроллер с HMI для локальных систем автоматизации. Основные области применения ОВЕН ПЛК63 – ЖКХ, ЦТП, ИТП, котельные, небольшие установки. Основные функциональные возможности Двухст... Читать далее...
₽34080.00 Без НДС: ₽34080.00
- Наличие: Есть в наличии
ОВЕН ПЛК63 – контроллер с HMI для локальных систем автоматизации. Основные области применения ОВЕН ПЛК63 – ЖКХ, ЦТП, ИТП, котельные, небольшие установки.
Основные функциональные возможности
- Двухстрочный знакосинтезирующий дисплей.
- Наличие дискретных входов/выходов на борту.
- Заказные модификации с выбором дискретных/аналоговых выходов.
- Встроенные интерфейсы RS-485, RS-232.
- Встроенные часы реального времени.
- Поддержка протоколов ОВЕН, Modbus RTU, Modbus ASCII, GateWay.
- Бесплатная библиотека функциональных блоков:
- разработки ОВЕН: ПИД-регулятор с автонастройкой, блок управления 3-позиционными задвижками и др.;
- стандартные библиотеки CODESYS.
- Возможность расширения путем подключения модулей ввода/вывода.
- Увеличение количества дискретных выходов путем подключения модуля ОВЕН МР1.
|

