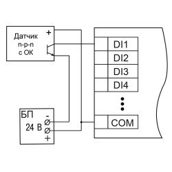
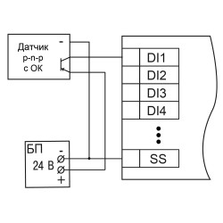
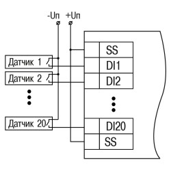
Модули предназначены для сбора данных со встроенных дискретных входов и передачи их в сеть Ethernet.
|
Коммуникационные возможности |
|
|
Интерфейс обмена |
Сдвоенный Ethernet 10/100 Mbit |
|
Интерфейс конфигурирования |
USB 2.0 (MicroUSB), Ethernet (RJ-45) |
|
Протоколы обмена |
Modbus TCP (до 4-х одновременных соединений) MQTT (в разработке) SNMP (в разработке) |
Особенности
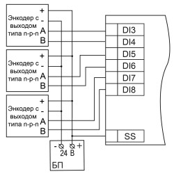
- Входы могут работать в режимах: счетчика импульсов частотой до 100 кГц, измерения частоты до 100 кГц, обработки сигналов энкодера до 100 кГц (только МВ210-202)
- Подключение дискретных сигналов ~230 В (только МВ210-221):
- Определение наличия или отсутствия напряжения в сети
- Диагностика обрыва фазы в трехфазной сети
- Контроль чередования фаз
- Подсчет наработки (моточасов)
- Счетчик количества включений напряжения
- Время последнего включения и выключения напряжения на входе
- Сдвоенный 2-х портовый Ethernet-коммутатор
- Поддержка технологии Ethernet Bypass позволяет передавать данные из одного порта в другой и не терять связь с остальными модулями при возникновении нештатной ситуации
- Широкий диапазон рабочих температур: -40…+55 °С
- Непрерывный профиль измерений во внутреннюю flash память (архив)
- Поддержка облачного сервиса OwenCloud
Конфигурирование
Настройка модулей Мx210 осуществляется с помощью конфигуратора, который поддерживает работу с группой модулей и позволяет оперативно получить доступ ко всем параметрам. Подключение осуществляется по интерфейсам Ethernet или USB (разъем типа microUSB). При подключении по USB внешнее питание модуля не требуется.


